首 页
公司简介
桥架
管道系列
母线槽
开关柜
新闻中心
联系我们
产品中心
电缆桥架
大跨距桥架
槽式桥架
托盘式桥架
梯级式桥架
组合式桥架
防火桥架
玻璃钢桥架
铝合金桥架
安装支架
水滴式槽式桥架
开关柜
母线槽
管道系列
您当前所在位置:
首页
>>
产品展示
>>
开关柜
>> KYN61Y-40.5金属铠装移开式开关设备
KYN61Y-40.5金属铠装移开式开关设备
加工价格价格:面议
发布时间:2021/1/21 14:04:32
来源:http://www.sf-qj.com
浏览次数:
联系电话:0511-88532266
本文将会在
KYN61Y-40.5金属铠装移开式开关设备
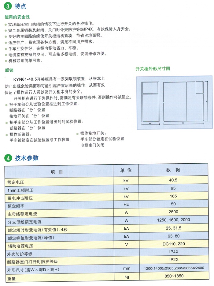
的特性、用途、规格上面做详细的说明与介绍,扬中市四方桥架设备有限公司作为是专业的KYN61Y-40.5金属铠装移开式开关设备生产厂家,为您选购适合自己的产品做一定的指导是必要的。 要问KYN61Y-40.5金属铠装移开式开关设备哪里好,当选扬中市四方桥架设备有限公司,联系电话:0511-88532266。
详细信息
上一篇我们就
KYN28A-24金属铠装移开式开关设备
做了详细介绍和说明,
KYN1-10户内交流金属铠装移开式开关设备
在下一篇继续做详细介绍,如需了解更多我们的信息,请持续关注。
本文由KYN61Y-40.5金属铠装移开式开关设备生产厂家扬中市四方桥架设备有限公司于2021/1/21 14:04:32整理发布。 转载请注明出处:http://www.sf-qj.com/kaiguangui/2576.html。
热门标签:
桥架
、
电缆桥架
、
铝合金桥架
、
玻璃钢桥架
、
防火桥架
上一篇:
KYN28A-24金属铠装移开式开关设备
下一篇:
KYN1-10户内交流金属铠装移开式开关设备
相关新闻
电缆桥架型式及品种的选择
2021-02-25
防腐玻璃钢电缆桥架在使用的时候要注意什么
2022-05-16
电缆桥架应配备防止电缆划伤的设施需要什么
2022-05-09
桥架支架的流动格局主要包括什么
2022-05-07
桥架无孔托盘的主要类型分为什么
2021-02-25
近代的新式电缆桥架--组合式电缆桥架
2021-02-25
电缆桥架安装常见质量缺陷是什么
2021-02-25
电缆桥架的主要构成
2021-02-25
相关产品
YB箱式变电站
XGN2-10箱型固定式交流金属封闭开关设备
HXGN15-12交流高压六氟化硫环网开关设备
XGN15-12(F) XGN15-12(F.R)型箱型交流金属封闭环网开关柜
HXGN-10固定式金属封闭开关柜(环网柜)
KYN1-10户内交流金属铠装移开式开关设备
KYN61Y-40.5金属铠装移开式开关设备
GDT低压固定分隔式开关柜
扬州四方桥架有限公司
服务咨询热线
0511-88532266
地址:江苏扬中市三茅街道昌盛路69号
电话:0511-88532266
传真:0511-88532266
联系人:郭炜
手机:13905283850(微信同号)
信箱:sfqj188@163.com
版权所有©2017-2018 www.sf-qj.com
苏ICP备14019885号